Sənaye kabinetinin qapı kilididaxili elektrik komponentlərinin təhlükəsizliyi və sistemin sabit işləməsi ilə birbaşa əlaqəli olan paylayıcı şkafın, rabitə şkafının, idarəetmə qutusunun və digər avadanlıqların əsas qoruyucu komponentidir.
Müxtəlif layihələr üçün çatdırılma müddəti və spesifikasiyaların şaxələndirilmiş tələblərinə cavab vermək üçün şirkətimiz həmişə anbarda beş növ tez-tez istifadə olunan qıfıllara malikdir -Uzun bar kilidi, Panel Kilidi, Çubuq nəzarət kilidi, Tutacaq Kilidi,Rotary Tongue Kilidi. Eyni zamanda, biz hər cür metal paylama qutuları üçün mükəmməl uyğun olan təsvirlərə və ya nümunələrə uyğun olaraq hazırlanmış istənilən qeyri-standart kilidi dəstəkləyirik.
Təyyarə kilidi, həm gözəl, həm də saxlanması asan olan sənaye kabinet qapılarının ən çox yayılmış növlərindən biridir. Şirkətimiz AB301, AB302, AB303, AB402, AB403 seriyalı təyyarə kilidini işə saldı, fərqli dizaynın struktur gücündə, qorunma performansında və işləmə hissində, paylama qutusunun müxtəlif xüsusiyyətlərinə, idarəetmə şkafının quraşdırılması tələblərinə cavab verə bilər.
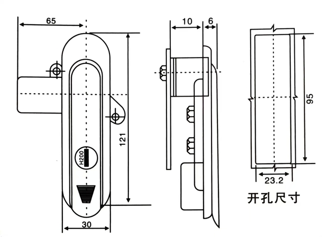
| Ölçülər | Məhsul nömrəsi | |||||||
| L1 | L2 | L3 | B1 | B2 | Boz xrom örtük | Boz sprey boya | Qara toz ilə örtülmüşdür | Çəki (q) |
| 147 | 117 | 72 | 33 | 26.5 | AB301-1-1.2 | AB301-1-1.8 | AB301 | 370 |
| 120.5 | 95.5 | 65 | 30 | 23.5 | AB301-2-1.2 | AB301-2-1.8 | AB302 | 290 |
| 87.5 | 62.5 | 65 | 28.5 | 23.5 | AB301-3-1.2 | AB301-3-1.8 | AB303 | 215 |
Əsas material: sink ərintisi.
Səth işlənməsi: parlaq xrom, tutqun, qara.
Funksiya və istifadə: Sol və sağ qapının açılmasını həyata keçirin, istifadəsi asan, sızdırmazlıq və suya davamlı funksiya ilə.
Əsas material: sink ərintisi.
Səth işlənməsi: parlaq xrom, tutqun, qara.
Funksiya və istifadə: Sol və sağ qapının açılmasını həyata keçirin, istifadəsi asan, sızdırmazlıq və suya davamlı funksiya ilə.
Material: sink ərintisi kilid gövdəsi, fırlanan val, sinklənmiş polad bolt, təzyiq lövhəsi.
Səth müalicəsi: gümüşü boz nano sprey.
Struktur təsviri: Açmaq və ya kilidləmək üçün 90 dərəcə fırladın.
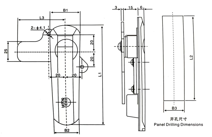
| MODEL | L1 | L2 | L3 | B1 | B2 | B3 |
| YENİ AB402-A | 123 | 95.5 | 65 | 36.5 | 30 | 23.5 |
| YENİ AB403-A | 91 | 62.5 | 65 | 33 | 28.5 | 23.5 |
| YENİ AB401-A | 151 | 117 | 72 | 36 | 30 | 26.5 |
